![]()
Refrigeración con energía solar de concentración
Autor: Javier Muñoz-Antón. Grupo de Investigaciones Termoenergéticas, Universidad Politécnica de Madrid
Resumen
Hoy en día, el creciente consumo de energía eléctrica en la mayoría de los países industrializados, en los que la demanda de energía eléctrica para el aire acondicionado es una pieza clave, está generando un creciente interés por la tecnología de refrigeración solar. Emplear la energía del sol en los sistemas de refrigeración puede reducir sustancialmente los picos de electricidad durante los meses de verano y al mismo tiempo reducir las emisiones de CO2. Además, la refrigeración a través de la aplicación de energía solar es particularmente atractiva debido a su no dependencia de la energía convencional y la casi coincidencia de las cargas de enfriamiento máximas con la disponibilidad de energía solar. En particular, los altos niveles de radiación solar en las regiones del sur de Europa hacen que el uso de sistemas de aire acondicionado asistidos por energía solar sea muy adecuado. A la luz de las consideraciones anteriores, existe un gran interés en modelar y simular sistemas de refrigeración por absorción solar, orientados a la climatización, donde la energía solar es absorbida por colectores solares de concentración. Para potenciar las prestaciones de la planta y aumentar la fracción de energía solar explotada, se debe estudiar la integración de un tanque de almacenamiento en frío.
Abstract
Nowadays, the increasing electrical energy consumption in most industrialized countries, in which electrical energy demand for air conditioning is a key piece, is leading to a growing interest in solar cooling technology. Employing the energy of the sun in refrigeration systems can substantially reduce electricity peaks during the summer months and at the same time reduce CO2 emissions. Furthermore, refrigeration via solar energy application is particularly attractive because of its non-dependence on conventional power and the near coincidence of peak cooling loads with the solar energy availability. In particular, the high levels of solar radiation in southern European regions make the use of solar assisted air-conditioning systems very suitable. In the light of the previous considerations, there are a high interest in model and simulate solar absorption cooling system, aimed at air conditioning, where the solar energy is absorbed by concentrating solar collectors. To enhance the performances of the plant and to increase the fraction of solar energy exploited, the integration of a cold storage tank must be studied.
Artículo
El consumo mundial de energía ha experimentado un aumento sustancial en las últimas décadas, siendo una parte importante de este consumo el rápido crecimiento de la demanda de climatización tanto en edificios residenciales como de servicios, e incluso en algunas industrias.
Dada la tecnología estándar que se utiliza actualmente en los sistemas de refrigeración, la de expansión directa, está asociada a un aumento de la demanda de electricidad, con ciertos riesgos para la estabilidad de la red eléctrica en los días más calurosos.
Satisfacer esta creciente demanda con energía fósil no renovable condiciona seguir con el modelo de producción de energía que produce cantidades significativas de emisiones de CO2 a la atmósfera.
Este problema podría resolverse, o al menos mitigarse, con el desarrollo de tecnologías basadas en fuentes de energía renovables. Entre ellos, la energía solar es un candidato importante para este propósito, ya que es la fuente renovable abundante y que cuando mayor es su aporte, mayor es la necesidad de aire acondicionado que se tiene.
Ya se han reportado en la literatura disponible varias configuraciones de plantas posibles para sistemas de enfriamiento solar, Henning (2007). Además, Sparber et al. (2007) indica que en el momento en que reporta su estudio, existían en todo el mundo 81 plantas de prueba de climatización solar con una capacidad de enfriamiento nominal superior a 20 kW, mientras que Mugnier y Jakob (2012) estimaron en 750 el número de sistemas de enfriamiento solar instalados en todo el mundo en 2011, incluidas las plantas de pequeña capacidad (menores de 20 kW). Para este propósito se utilizan tecnologías de absorción y de adsorción (Fan et al., 2007, Chidambaram et al., 2011, Hassan y Mohamad 2012a, 2012b).
Figura 1. Esquema de instalación de refrigeración con energía solar concentrada.
Estudios sencillos ponen de relieve las posibilidades de estas tecnologías, como puede ser con la más conocida del ciclo de absorción de agua / bromuro de litio (H2O-LiBr) de simple efecto acoplado a colectores de placa plana y tubos de vacío (Ayadi et al., 2012).
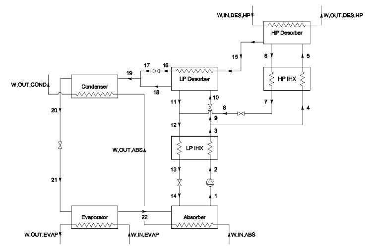
Figura 2. Diagrama esquemático de una enfriadora de absorción H2O-LiBr, Bordogna et al, 2013.
Pero una evolución hacia ciclos de doble efecto H2O-LiBr, sustituyendo los colectores de placa plana o de tubos de vacío por sistemas de concentración está ganando atención debido a su mayor rendimiento energético inherente y a plantas de demostración construidas con colectores solares basados en concentradores comerciales (Ayadi et al., 2012) o soluciones híbridas con sistemas que acoplan colectores solares de concentración y quemadores de gas (Bermejo et al., 2010), según indica la bibliografía disponible.
En este contexto, la posibilidad de obtener unos datos del comportamiento asociado a este tipo de tecnologías resulta posible y de gran interés en tanto en cuanto se disponga de las ecuaciones que modelen este tipo de sistemas. Esto está al alcance de un explorador de internet habida cuenta de la gran cantidad de bibliografía al respecto de que se dispone en abierto.
Con estas ideas se puede considerar un modelo simple de sistema de concentración solar con bomba de absorción y tanque para almacenar el frío conseguido en forma de agua líquida enfriada. Las energías renovables presentan un inconveniente común que es la poca o nula gestionabilidad del recurso, por lo que, en el proceso de transformación del recurso a la energía útil, conviene incorporar algún tipo de almacenamiento que permita cierto margen de gestionabilidad para abastecer a la demanda que corresponda.
Actualmente la literatura indica una gran cantidad de trabajos que consideran almacenamiento ‘caliente’ y muy pocos los que lo consideran para almacenar ‘frío’ (Mazloumi et al., 2008, Bordogna et al., 2015).
Los resultados de la simulación de verano en la ciudad de Madrid, España, muestran que, para una planta de climatización por absorción solar, mediante un ciclo de doble absorción H2O-LiBr hibridado con gas, parámetros como el índice de enfriamiento solar o el índice de horas de funcionamiento, aumentan de manera lineal con el aumento del tamaño del tanque de almacenamiento. Los mejores resultados durante las simulaciones de verano se obtuvieron para el volumen de almacenamiento de 50 m3, alcanzando una eficiencia de conversión de energía estacional, desde el aporte de energía solar hasta la salida de energía de enfriamiento igual al 55%, con un factor de utilización del enfriador auxiliar de aproximadamente el 52%.
Referencias
Ayadi O., Aprile M., Motta M., 2012. Solar cooling systems utilizing concentrating solar collectors, Energy Pro. 30: 875-883.
Bermejo P., Pino F. J., Rosa F., 2010. Solar absortpion cooling plant in Seville, Sol. Energy 85: 1503–1512.
Pietro Bordogna, José Antonio Fernández Benítez, Luca Molinaroli, Javier Muñoz-Antón, Simulation of a double effect H2O-LiBr absorption chiller driven by solar concentrating parabolic trough collectors, January 2015, Refrigeration Science and Technology
Chidambaram L. A., Ramana A. S., Kamaraj G., Velraj R. 2011. Review of solar cooling methods and thermal storage options, Renew. Sust. Energy Rev. 15: 3220-3228.
Fan Y., Luo L., Souyri B., 2007. Review of solar sorption refrigeration technologies: Development and applications, Renew. Sust. Energy Rev. 11: 1758–1775.
Hassan H. Z., Mohamad A. A., 2012a. A review on solar-powered closed physisorption cooling systems, Renew. Sust. Energy Rev. 16: 2516-2538.
Hassan H. Z., Mohamad A. A., 2012b. A review on solar cold production through absorption technology, Renew. Sust. Energy Rev. 16: 5331-5348.
Henning H.-M., 2007. Solar assisted air conditioning of buildings – an overview, App. Therm. Eng. 27: 1734-1749.
Sparber W., Napolitano A., Melograno P., 2007. Overview on worldwide installed solar cooling systems, Proc. 2nd International Conference Solar Air Conditioning, Tarragona, Spain.
Mugnier D. and Jakob U., 2012. Keeping cool with the Sun, Int. Sustain. Energy Rev. 6: 28-30.
Contacto
Javier Muñoz-Antón, Investigador del grupo UPM-GIT del Programa ACES2030-CM.
Coordina ACES2030-CM: Manuel Romero Álvarez. IMDEA Energía


