![]()
El análisis exergético: herramienta de evaluación de procesos
[Autor: Pedro Cruz-Instituto IMDEA Energía]
El continuo crecimiento en las necesidades energéticas globales y la utilización de fuentes no renovables siguen llevando a niveles de emisión de gases de efecto invernadero (GEI) cada vez mayores [1]. Ello, unido a la inseguridad de suministro por motivos geopolíticos, ha provocado un aumento en los precios de los recursos energéticos fósiles [2], aún mayoritariamente utilizados. Ante este problema energético surgen múltiples soluciones que, principalmente, discurren por dos vías: bien, la mejora de las tecnologías convencionales y no renovables para mejorar su eficiencia, o bien, el uso de nuevas tecnologías, alternativas y renovables.
Existe, pues, la necesidad de análisis de la viabilidad de las modificaciones en tecnologías existentes y/o del planteamiento de nuevos sistemas. El estudio de la viabilidad técnica de procesos, abordada desde el punto de vista termodinámico, afecta consecuentemente a su componente económica y ambiental. El comportamiento termodinámico de un proceso puede evaluarse de manera eficaz a través de la definición de exergía y de su consecuente aplicación con análisis exergético.
El concepto de exergía fue concebido en el siglo XIX por Carnot, pero aplicado a ciclos industriales en el siglo XX. La exergía se define como el trabajo teórico útil máximo que se puede obtener al llevar un sistema termodinámico al equilibrio con el entorno mediante interacciones con dicho entorno únicamente [3]. Los procesos termodinámicos siguen las leyes de conservación de materia y energía. Sin embargo, la exergía no se conserva, sino que se destruye debido a irreversibilidades asociadas a ellos, además de perderse cuando una corriente material o energética es emitida al entorno.
Un análisis exergético permite identificar los componentes o equipos del sistema con las mayores ineficiencias termodinámicas, localizarlos, cuantificar las ineficiencias y saber las fuentes y procesos que las causan [4,5]. Esta información, que no puede obtenerse con otro tipo de análisis energético, es útil para mejorar la eficiencia global de un sistema, o para comparar varios sistemas.

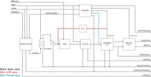
Figura 1. Sistemas de gasificación de biomasa, síntesis FT y ciclo combinado estudiados.
En la Unidad de Análisis de Sistemas de IMDEA Energía se han desarrollado multitud de análisis exergéticos de diferentes procesos de conversión energética. Uno de los últimos procesos estudiados consiste en un sistema de gasificación de biomasa lignocelulósica acoplada con síntesis Fischer – Tropsch y generación eléctrica mediante ciclo combinado, estudiándose además la influencia que diferentes configuraciones de proceso tienen en el desempeño termodinámico del sistema (Fig. 1). De este modo y previa simulación en Aspen Plus® de los procesos, se ha podido determinar que la gasificación, la combustión de char y la combustión de gas son los principales focos de ineficiencias del proceso, siendo los subprocesos de gasificación y de generación de vapor y electricidad (power) los que mayor tasa de exergía destruyen (Fig. 2).
Figura 2. Tasas de destrucción exergética por subproceso.
[1] Stocker F, Qin D, Plattner G-K, Tignor M, Allen SK, Boshung A, et al. IPCC, 2013: Climate Change 2013: The Physical Science Basis. Contribution of Working Group I to the Fifth Assessment Report of the Intergovernmental Panel on Climate Change. Cambridge University Press; 2013.
[2] BP. BP Statistical Review of World Energy June 2013. 2013.
[3] Sciubba E, Wall G. A brief Commented History of Exergy From the Beginnings to 2004. Int J … 2007;10:1–26.
[4] Tsatsaronis G, Cziesla F. Thermoeconomics. Encycl Phys Sci Technol Third Ed 2002.
[5] Bejan A, Tsatsaronis G, Moran M. Exergy Analysis. Therm. Des. Optim., John Wiley & Sons, Ltd; 1996, p. 560.



Un proyecto en base a la exergía está en espera. Gracias por este artículo.