![]()
EL LEGADO DE LOS HERMANOS MILLÁS MOSSI, BRILLANTES INVENTORES

Pocos nos paramos a pensar en las miles de herramientas que hacen nuestro día a día más sencillo: carreteras más transitables, electrodomésticos más prácticos, instituciones más estructuradas y salud más asequible. Miles de ideas e inventos, tras refinamiento y reflexión, pasan a formar parte de nuestras vidas hasta volverse una parte imprescindible.
En el campo de la medicina, la innovación y el continuo avance de la tecnología son esenciales, pero cada pocos años una técnica, un aparato, un algoritmo se asienta como pilar para el diagnóstico o tratamiento de ciertas enfermedades por su indudable efectividad. Este es el caso del electroshock, actualmente usado para administrar terapia electro-convulsiva (TEC). La patente para este revolucionario instrumento fue concedida por nuestra oficina en 1943; entre los colaboradores solicitantes se encontraba Vicente Millás Mossi, brillante inventor y, por casualidades de la vida, abuelo de mi yerno. Les cuento la historia:
España de los 40, al final de la Guerra Civil y en la postguerra todo el sistema sanitario está saturado, incluidos los establecimientos psiquiátricos. Además de por las exigencias de un periodo bélico, la situación está agudizada por la crisis económica resultante de la confrontación bélica. Los enfermos mentales se hacinaban en manicomios con todo tipo de carencias.
Los tratamientos que se usaban en esta época para las enfermedades mentales —ampliamente desconocidas en su etiología y por tanto en las medidas correctas para su resolución— fueron desatinados cuanto menos, y horriblemente errados cuanto más: la malario-terapia que se remonta a principios del siglo XX, consistía en infectar al paciente con Plasmodium contra la neurosífilis en un intento rudimentario de vacunación; inducir un coma insulínico en pacientes esquizofrénicos, bajo la hipótesis de que la deprivación de glucosa al cerebro se contraponía a los efectos adrenérgicos causantes de la enfermedad; el uso de pentinotetrazol, un potente convulsionante, por suponer que existía una antagonismo entre la estructura cerebral de enfermos esquizofrénicos y epilépticos; o la lobotomía, en la que con un instrumento parecido a un picahielos se seccionaban conexiones entre lóbulos cerebrales, con especial atención al frontal –el encargado de la toma de decisiones complejas, procesamiento de información que llega a través de las múltiples proyecciones del resto del córtex, que al fin y al cabo determina nuestro comportamiento y personalidad— de manera que los pacientes sometidos a esta técnica, cuando no morían enseguida, quedaban dóciles y ausentes, “desalmados”.
El uso de electricidad fue introducido por Cerletti (1938) también para provocar crisis epilépticas controladas y así estimular la conductividad y liberación de neurotransmisores sinápticos en ciertas áreas del cerebro. Así nace el electroshock —mucho más barato que el pentilenotetrazol — que actúa haciendo pasar una corriente eléctrica a través del cráneo. Actualmente se sigue desconociendo exactamente el mecanismo de acción tanto en la esquizofrenia como en otras enfermedades mentales a las que se aplica la terapia electro convulsiva (TEC).
En España, en plena guerra, no se podía importar este aparato y se fabricaron simultáneamente dos análogos, uno en Palencia por Alfredo Prieto Vidal y otro en Valencia por José María Rius Vivó con la ayuda de los técnicos Vicente y Manuel Millás Mossi.
Las patentes ES-0154166[1] y ES-0154167[2] fueron solicitadas por José María Rius Vivó el 21 de agosto de 1941 y publicadas el 1 de marzo de 19431, mismo año en el que los hermanos Millás solicitaron su propia patente con mejoras implementadas.

Las patentes de Rius y Millás diferenciaban sus aparatos del resto por utilizar corriente continua en lugar de corriente alterna, lo que complicaba en cierta medida el diseño y construcción de los equipos, aunque suponían una importante mejora en los tratamientos tal y como se explica en ambas patentes.
Hoy podemos conocer la historia de su invención gracias a la memoria verbal y al “enfoque de la cultura material”. Mediante el análisis de aparatos que se conservan, patentes solicitadas, lugares donde se implementó, las técnicas de utilización, así como los problemas que se suscitaron y el entorno social donde se desarrollaron. Todos esto nos permite encajar las piezas y componer una fiable representación de los hechos.
Los hermanos Vicente y Manuel Millás Mossi eran peritos industriales y tenían un taller de reparación y construcción de ascensores y electricidad médica con actividad en las áreas de electro cirugía, de electro diagnóstico, electro terapia, pHmetría, estimuladores musculares e incluso aparatos de rayos X, bisturíes y aspiradores de sangre.
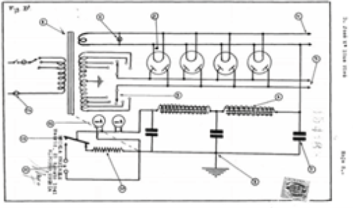
En el diagrama del circuito electrónico contenido en la patente se observa que la rectificación de la corriente alterna de la red se consigue mediante cuatro válvulas termoiónicas, dos bobinas y tres condensadores. Más adelante se considerará la modificación introducida por Millás Mossi que permitió aligerar el dispositivo2.

En el folleto del Electroconvulsor JR , figura —aunque sin acreditar en calidad de qué—la leyenda Millás Mossi en una tipografía que no se volverá a encontrar después y el característico logotipo de la firma. Como examinadora de marcas no puedo evitar fijarme en la simple elegancia del logo: un monograma con dos M superpuestas y entrelazadas en color claro sobre un triángulo invertido de fondo negro; este que perdurará en el tiempo hasta llegar a la actualidad prácticamente sin variación excepto en los colores , hasta la reciente clausura de la empresa en Valencia el pasado enero del 2019.

Los hermanos Millás elaboraron los folletos para el aparato, en el que se lee como encabezado un sucinto y algo enigmático “Aparato científico”. Contenían las instrucciones de uso y las características más relevantes: “El manejo es muy simple y no se requiere preparación especial alguna, bastando nuestras instrucciones para ponerlo en condiciones de desarrollar perfectamente su cometido, lo cual ‘permite confiar el tratamiento a enfermeras o practicantes’ aunque no ha podido ser confirmada esta utilización a manos de personal auxiliar”. Por supuesto en su desarrollo colaboraron psiquiatras que ayudaban a corregir durante su construcción defectos en el prototipo inicial que podían impactar en su funcionalidad.
El 9 de septiembre de 1943 los hermanos Vicente y Manuel Millás Mossi solicitaban la patente de invención ES-0163101[3] de «Un nuevo aparato para el tratamiento convulsivante de enfermos mentales«, que utiliza corriente continua y aparecen tres válvulas pero no las bobinas ni los condensadores que había empleado Rius 3.
Vicente y Manuel se separan en 1953. Vicente viene a Madrid con sus seis hijos y su mujer embarazada. Cambia el nombre de sus labores empresariales a simplemente “Mossi”. Su hijo Juan José Millás cuenta en “El Mundo” 4 que su padre tenía un taller de aparatos de electro medicina. Inventaba, reparaba, deducía el funcionamiento de otras tecnologías de publicaciones de diagramas norteamericanas. “No sabía inglés, pero era capaz de interpretar un esquema, un plano o un circuito con la facilidad con la que otros leen estas letras. Por su taller pasaron aparatos de rayos X y pulmones de acero con los que mis hermanos y yo jugábamos, no siempre a médicos. Entre los ingenios que más me impresionaron, recuerdo un aspirador de sangre perteneciente a la época anterior al bisturí eléctrico, cuando las heridas abiertas por el cirujano se inundaban, impidiendo la visión del órgano a operar. El aspirador dejaba la herida limpia en cuestión de segundos. La sangre se recogía en un recipiente de cristal de boca ancha, como los de las aceitunas a granel; probablemente fuera un frasco de aceitunas, pues en casa no se tiraba nada. Los tapones de los tubos de la pasta de dientes servían, por ejemplo, como mandos para los aparatos de radio. Más tarde, con la aparición del bisturí eléctrico, que cauterizaba la herida al tiempo de infligirla, los aspiradores, creo, pasaron a la historia.
Mi padre presumía de haber sido el primero en fabricar el bisturí eléctrico en España, aunque seguramente tomó la idea de una publicación extranjera. Recuerdo haberle visto inclinado sobre la mesa del taller, efectuando cortes en un filete de vaca, asombrado por la precisión y la limpieza del tajo. No olvidaré nunca el momento en el que se volvió hacia mí, que le observaba un poco asustado, para pronunciar aquella frase fundacional: ‘Fíjate Juanjo, cauteriza la herida en el momento mismo de producirla’.
Otro ingenio con el que alcanzó cierta celebridad fue el electroshock portátil, un aparato del tamaño de un bestseller con varios compartimientos, en uno de los cuales se guardaban los electrodos. Solía contar que un día, hablando en el jardín de un manicomio con su director, un loco lo reconoció como el proveedor de aquellos artilugios y le arrojó desde una ventana un tiesto que le rozó el hombro. El electroshock estuvo muy cuestionado en los años sesenta del pasado siglo, pero creo que ha vuelto. En algún sitio he leído de Cabrera Infante, que era bipolar, pidió en alguna ocasión que se lo aplicaran.”
Más adelante los aparatos se hacen portátiles, más baratos y solo necesitan un enchufe a la red. Se empiezan a utilizar relajantes musculares y anestesia. En los años 80 se refina la técnica a pesar de que todavía no se sabe con certeza de qué forma ayuda la TEC, sólo que aumenta la liberación de neurotransmisores y la neurogénesis. Para dar una adecuada idea de la relevancia que tuvo este invento les cuento brevemente las características e indicaciones de esta técnica.

La TEC basada en la evidencia es una técnica efectiva y eficiente, más que muchas de las estrategias terapéuticas a las que se les dedica una mayor atención y presupuesto de investigación5. Aún hoy la TEC está infrautilizada en muchos entornos psiquiátricos, siendo especialmente importante y un aspecto a regular que la TEC tenga una accesibilidad garantizada ante la evidencia no tan solo de que es un tratamiento eficaz sino electivo en algunos trastornos como la catatonia y diferentes formas de depresión y esquizofrenia6.
El objetivo de la estimulación electroconvulsiva es proporcionar un estímulo eléctrico lo suficientemente potente para conseguir que un elevado porcentaje de neuronas realice sus descargas al unísono y así inducir una convulsión adecuada. El inicio de esta tiene lugar por el reclutamiento sincrónico masivo de ciertos centros neuronales intracerebrales, tal como ocurre en las convulsiones motoras mayores de tipo espontáneo. Debido a las complejas propiedades estructurales y electro físicas del cráneo y del encéfalo, la estimulación eléctrica durante la TEC requiere dosis mucho mayores de corriente que las que se utilizan para estimular las fibras nerviosas o el tejido nervioso en condiciones experimentales7.
La clave se halla en lograr la adecuada intensidad del estímulo. En las recomendaciones para el tratamiento con TEC se considera que si en cada sesión se induce una convulsión generalizada adecuada (actualmente se acepta que la convulsión dure entre 15 y 20 segundos a nivel electroencefalográfico), el paciente ha recibido un tratamiento óptimo y eficaz. El aumento sustancial del umbral convulsivo es una condición necesaria pero no suficiente para la respuesta a la TEC. Los pacientes en que la fisiopatología de su trastorno no esté relacionada con la excesiva desinhibición o excitación podrían no responder al tratamiento. Por eso se administra en patologías como depresión refractaria a otros tratamientos, esquizofrenia, trastorno bipolar y en la enfermedad de Parkinson8.
El beneficio de su aplicación supera de forma considerable los riesgos asociados, siendo estos últimos proporcionados y previsibles. Aunque el conocimiento de su mecanismo de acción es limitado sí se conocen de forma extensa la mayoría de efectos favorables y desfavorables para el paciente, permitiendo el control y previsión estricta de sus consecuencias9.
Los hermanos Millás Mossi dejaron con este invento un legado que ha ayudado a miles de personas; probablemente para muchos de los lectores incluso personalmente, a familiares y amigos. Por ello quiero agradecer desde estas páginas su admirable trabajo, por los beneficios que han proporcionado sus aparatos e inventos tanto a la comunidad médica como a una ingente cantidad de enfermos.
Mercedes Nieto Centeno
[1] Rius Vivó J. Un aparato electroconvulsor para el tratamiento de las esquizofrenias y otras enfermedades mentales. Memoria descriptiva. Oficina Española de Patentes y Marcas, ES-0154166, 21 de agosto de 1941.
[2] Rius Vivó J. Un aparato electroconvulsor para el tratamiento de las esquizofrenias y otras enfermedades mentales. Oficina Española de Patentes y Marcas, ES-0154167, 21 de agosto de 1941.
[3] Millás Mossi V. Millás Mossi J. Un nuevo aparato para el tratamiento convulsivante de enfermos mentales. Oficina Española de Patentes y Marcas, ES-0163101, 9 de septiembre de 1943
[4] Millás JJ. El Mundo. Premio planeta 2007 Ed. Planeta 2007 Barcelona, España. ISBN:9788408075967
[5] Bernardoa, M., Urretavizcaya, M. Dignificando una terapia electroconvulsiva basada en la evidencia Rev Psiquiatr Salud Ment (Barc.) Elsevier España, S.L.U. 2015;8(2):51-54
[6] Bertolín Guilléna, J. M., Sáez Abadam, C., Hernández de Pabloa, M. E., Peiró Moreno, S. “Eficacia de la terapia electroconvulsiva: revisión sistemática de las evidencias científicas” Actas Esp Psiquiatr 2004;32(3):153-165
[7] Sánchez, R., Alcoverro, O., Pagerols, J., Rojo, J.E. Mecanismos de acción electrofisiológicos de la terapia electroconvulsiva Actas Esp Psiquiatr 2009;37(6):343-351
[8]American Psychiatric Association. The practice of electroconvulsive therapy: Recommendations for treatment, training and privileging: A task force report. 2nd ed. Washington, DC: American Psychiatric Association; 2001
[9] Romero-Tapia, A., Gamboa-Bernal, G.A. ¿Es bioéticamente adecuada la aplicación de la Terapia Electroconvulsiva? Cuadernos de Bioética. 2018; 29(95): 13-24 22
[10] Balaguer Muñoz J. Aparatos de electroshock fabricados en la Valencia de mediados del siglo xx TFM Máster interuniversitario en historia de la ciencia y comunicación científica. Universidad de Valencia. 2018
Buenos dias:
Soy hijo de Vicente Millás Mossi.
Me ha gustado mucho el articulo y quiero agradecer a Mercedes Nieto Centeno la realización de este articulo que refleja muy bien parte del trabajo realizado por mi padre y mi tío.
Creo que estas historias además de recuperar la memoria de personas, que algunas veces no se mencionan en la historia habiendo sido imprescindibles para el desarrollo de la misma, también pueden ser elemento de ejemplo e inspiración para nuevas generaciones.
Mi más sincera felicitación a La OEPM y en concreto a Mercedes Centeno por la sensibilidad demostrada al haber fijado su atención en la labor realizada por los hermanos Millás Mossi.
Pongo a su disposición el extenso archivo del que dispongo de catálogos, manuscritos y croquis originales así como algunos aparatos originales, también dispongo de una ponencia relativa a la vida e historia de algunos de los equipos fabricados por los hermanos Millás Mossi.
Por ultimo también quiero expresar mi agradecimiento a Javier Balaguer que figura en las referencias de la publicación, ya que posiblemente ha sido la mayor fuente de datos para esta publicación mediante su TFM.
Atte
Fco. Millás