![]()
La energía maremotérmica
La energía maremotérmica, también conocida como Conversión de Energía Térmica-Oceánica (C.E.T.O), es un tipo de energía renovable que tiene su principio de funcionamiento en la diferencia de temperaturas entre las aguas profundas, más frías, y las cercanas a la superficie, más cálidas, para mover una máquina térmica y producir trabajo útil, generalmente en forma de electricidad. Una ventaja respecto a otras energías renovables es su funcionamiento 24 horas al día, sin dependencia de condiciones eólicas o solares. La empresa americana Lockheed Martin, acaba de anunciar su intención de instalar una planta C.E.T.O. en el sur de China.
[Grupo de Ingeniería Química. UAM]
Las máquinas térmicas son mecanismos cíclicos que reciben calor de una fuente caliente (de alta temperatura), producen un trabajo neto y eliminan calor a un sumidero térmico de baja temperatura; cuanto mayor sea la diferencia de temperatura entre la fuente de calor y el sumidero, mayor será la eficiencia teórica de conversión de energía.
Como los combustibles convencionales (fuentes fósiles) se vuelven cada vez más costosos y menos disponibles, se están realizando esfuerzos en el sentido de mejorar la eficiencia térmica operando con focos térmicos con temperaturas cada vez más elevadas; otras técnicas incluyen el uso de ciclos combinados o de cogeneración que transforman una mayor fracción de la energía de entrada en trabajo útil.
La ventaja de la Conversión de la Energía Térmica del Océano, C.E.T.O., sería incluir una fuente de energía barata y con disponibilidad ilimitada; de esta manera, podrían resultar atractivas las máquinas térmicas que operan entre fuentes de calor con una diferencia de temperatura muy pequeña, aunque su eficiencia térmica fuese muy baja.
El dispositivo utilizado para la conversión de la energía térmica del océano consiste en una máquina térmica diseñada para operar entre una temperatura relativamente cálida como es la de la superficie del océano y otra más baja como la temperatura del agua que se encuentra a grandes profundidades. Este punto de vista fue sugerido por primera vez por el físico francés d’Arsonval en 1881.
En la práctica, la diferencia de temperatura requerida para que la operación resulte económica es de alrededor de 20°C. Para lograr la diferencia de temperatura deseada, se deben buscar regiones geográficas de la superficie del océano calentadas por el sol en donde la temperatura promedio sea de 25°C a 30°C, ya que la temperatura es de aproximadamente 5°C a un nivel de 600 a 900 metros de profundidad.
En las zonas situadas entre los trópicos, la variación de la temperatura del mar en función de la profundidad permite distinguir tres capas:
a) La superficial, de 100 a 200 metros de espesor, que actúa como colector de calor, con temperaturas entre 25 y 30 grados.
b) La intermedia, entre los 200 y 400 m. de profundidad, con variación rápida de temperatura y que actúa como barrera térmica entre capas superior y profunda.
c) La profunda, en la que la temperatura disminuye suavemente hasta alcanzar 4°C a 1000 metros y 2°C a 5000 metros.
Por lo tanto, en los mares tropicales existe una diferencia de temperatura, entre la superficie y una profundidad de 1000 metros, del orden de 20°C que podría aprovecharse para accionar una máquina térmica. Tales regiones sólo existen en las latitudes cercanas al Ecuador, localizándose las regiones con diferencias más grandes de temperatura en la parte occidental del Océano Pacífico; también son satisfactorias las regiones al este y al oeste de Centroamérica y algunas áreas alejadas de la costa del sur de los Estados Unidos y al oriente de Florida.
Figura 1 : El mapa señala las zonas de interés para su tecnología
Hasta el momento, casi todas las propuestas no han dado el salto del prototipo experimental al de plantas comerciales, al contrario de como sucede en la obtención de energía eólica; los costes son abultados sobre todo si se piensa en los cables que de alta mar conducirían la energía hasta tierra firme y el ambiente hostil y corrosivo de las aguas marinas. Aún así, multitud de empresas están volcadas en el desarrollo de nuevas y eficientes soluciones para aprovechar el potencial del gigante azul, como fuente de energía ilimitada.
Una de estas empresas, la americana Lockheed Martin, acaba de anunciar su intención de instalar una planta de conversión térmica marina en el sur de China, con una potencia superior a 10 MW, sumando un nuevo reto, puesto que hace tan sólo unos meses anunciaba otro proyecto en Australia para el aprovechamiento de las olas (de unos 19 MW) junto a una de las expertas en este campo, la también americana OPT.
Su planta de China funcionaría gracias al ciclo Rankine (el mismo ciclo que se ha implantado en muchas centrales térmicas para aprovechar el calor del trabajo).
Sistema C.E.T.O tipo Rankine
Un sistema C.E.T.O. es un ciclo de potencia de vapor, tipo Rankine, que opera en condiciones especiales: debido a que las temperaturas en el evaporador y el condensador son bajas, se debe escoger un fluido de trabajo cuya presión de vapor sea alta a esas temperaturas, por ejemplo el propano o el amoniaco:
- Propano (C3H8): presión de vapor de alrededor de 5,5 atm a 5°C y un valor aproximado de 9,5 atm a 25°C;
- Amoniaco (NH3): presiones de vapor de 5,2 atm y 10,3 atm respectivamente a dichas temperaturas.
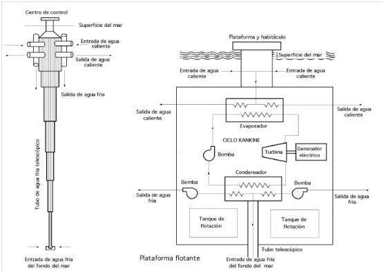
El agua tibia de la superficie del océano se succiona hacia un intercambiador de calor o evaporador, en donde se evapora el fluido de trabajo del ciclo Rankine; el vapor pasa por una turbina que acciona un generador eléctrico y penetra en el condensador.
El agua fría que se bombea de las profundidades del océano mediante una tubería telescópica, se emplea para enfriar el fluido de trabajo que, al condensarse y volver al estado líquido, se bombea al evaporador y se inicia así un nuevo ciclo.
Además de las condiciones impuestas en la presión de vapor del fluido, una planta C.E.T.O. requiere unas enormes dimensiones de los sistemas de circulación de las corrientes templada y fría; hay que hacer notar que el agua fría asciende desde profundidades de 600 a 900 metros.
Cuando las plantas C.E.T.O. se destinan para generar electricidad, unos cables la conducirán desde la plataforma flotante hasta el fondo del océano, a una profundidad de 1200 a 1500 metros, y mediante otro cable fijo se conducirá a la costa; los cables deben ser suficientemente fuertes para resistir las intensas fuerzas producidas por las corrientes oceánicas, las olas y la misma plataforma flotante.
Fig. 2. Disposición esquemática de una central C.E.T.O.
El rendimiento de una máquina térmica está limitado por el Principio de Carnot; una máquina del tipo C.E.T.O. evolucionando entre las temperaturas T1=30ºC y T2=4ºC tendría un rendimiento máximo de 8,6% que en la práctica se reduciría en torno al 4%, por lo que la generación de una cantidad de energía del orden de MW exige utilizar grandes cantidades de agua.
El proceso se considera de ciclo cerrado: El calor de la superficie calienta las tuberías, que cambian el estado del líquido de su interior a vapor (por ejemplo amoníaco); este vapor llega hasta la turbina, produciéndose electricidad. El agua fría de las profundidades vuelve a enfriar la tubería devolviendo el vapor del interior de las tuberías a su estado líquido inicial. Hay otras opciones que prevén que sea la misma agua de mar la que se evapore y luego se condense. En esos casos, los llamados de ciclo abierto, el agua perdería salinidad, originando agua dulce.
Fig. 3. Central maremotérmica de ciclo cerrado
C.E.T.O. es una tecnología que, por las necesidades físicas y térmicas descritas, no se puede desarrollar en España. Sin embargo, sí está involucrada en la investigación y desarrollo de la energía de las olas y corrientes, concentrándose el mayor potencial en Galicia, País Vasco e, incluso, Canarias, aunque sus olas no sean fuertes pero sí constantes. Actualmente se prepara la inauguración de dos centros de ensayo en Canarias y País Vasco: el centro Bimep de Armintza (Vizcaya) –cerca de la que ha sido la primera planta de aprovechamiento energético de las olas, en Motrico (Guipuzcoa)–, y la Plataforma Oceánica de Canarias, lo que puede colocar a España en muy buen lugar en los próximos años.
Fuentes: Universidad de Cantabria, Revista “A tu salud verde”.

