![]()
DESALINIZACIÓN DE AGUAS SALOBRES MEDIANTE SISTEMAS DE ELECTRODIÁLISIS ALIMENTADOS CON ENERGÍA SOLAR FOTOVOLTAICA
La escasez de agua constituye un problema de capital importancia en el Sureste de España, principalmente en la costa Mediterránea donde el problema es especialmente acuciante. Precipitaciones menores de 275 mm al sur de la Comunidad Valenciana, la convierten en una de las regiones más áridas del continente. Escasez que contrasta con la gran necesidad que existe de agua, derivado de la alta densidad de población –triplica la media nacional-, el gran desarrollo del sector turístico y una incipiente industria. Este problema empeora considerablemente en áreas remotas, donde el suministro de agua y electricidad es particularmente caro o incluso no existente. En estas zonas es necesario recurrir a la captación de agua procedente de acuíferos subterráneos, los cuales se encuentran en su gran mayoría sobre-explotados o sufren problemas de intrusión marina (debido a su proximidad al mar) y/o contaminación por nitratos.
[Dr. Juan M. Ortiz. Investigador del proyecto INNPRONTA IISIS. Departamento de Innovación y Tecnología, aqualia, gestión integral del agua, S.A. Colaborando con IMDEA-Agua]
La desalinización de aguas salobres procedentes de estos acuíferos es una opción que permite obtener agua potable a bajo coste. Los sistemas de electrodiálisis alimentados por paneles solares fotovoltaicos representan una opción simple, fiable, y de bajo mantenimiento debido a que no incluye ni baterías de acumulación ni reguladores/inversores. Estos sistemas son de especial interés tanto para zonas aisladas con accesos a pozos de aguas salobres y donde la conexión eléctrica a la red no es posible, como para zonas costeras donde existan acuíferos salinos y los recursos hídricos estén limitados. Además, existe un incentivo añadido para aquellas zonas donde la demanda de agua potable o de regadío coincida con los meses de mayor disponibilidad de horas solares (meses centrales el año) o que dispongan un gran número de días soleados al año (p. ej. 300 días soleados anuales en Valencia y Murcia, 320 en Almería).
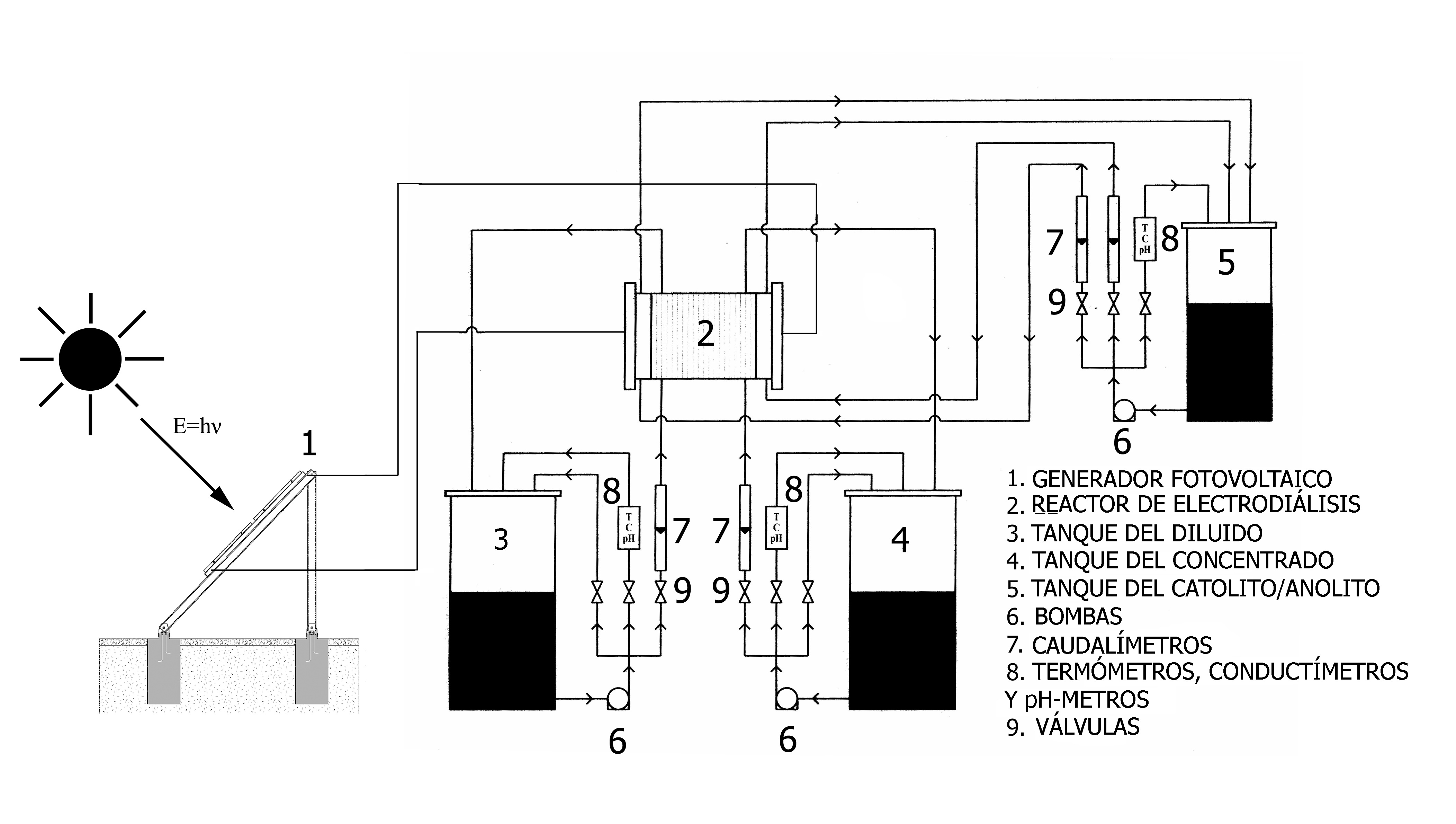
La electrodiálisis es una técnica basada en el transporte de iones a través de membranas selectivas bajo la acción de un campo eléctrico. En un reactor típico de electrodiálisis se disponen alternativamente membranas de intercambio catiónicas y aniónicas entre el cátodo y el ánodo. Cuando se aplica una diferencia de potencial entre los dos electrodos mediante una fuente de corriente continua, los cationes se mueven hacia el cátodo y los aniones hacia el ánodo. Los cationes pasan a través de las membranas de intercambio catiónicas y son retenidos por las membranas de intercambio aniónicas. Por el contrario, los aniones circulan a través de las membranas de intercambio aniónicas, mientras que son retenidos por las catiónicas. Esto provoca el aumento de concentración de iones en unas corrientes (compartimentos de “concentrado”) y su dilución en las adyacentes (compartimentos de “diluido”).
Figura 1. Diagrama esquemático del sistema de ED alimentado con energía FV, donde se indican los sub-sistema de electrodiálisis, generador fotovoltaico, sub-sistema de bombeo.
Por otro lado, la preocupación social por el Medio Ambiente es cada día mayor en los países desarrollados, lo que se manifiesta en la aprobación de una legislación cada vez más exigente en materia de protección medioambiental. Este interés ha conducido a la investigación y desarrollo de nuevas formas de energía renovable. Una de las más extendidas y estudiadas es la energía solar fotovoltaica. Entre las ventajas del uso de la energía solar fotovoltaica se incluyen el ser no contaminante, silenciosa, abundante, descentralizada, gratuita, inacabable, a lo que debemos añadir la larga vida de los paneles solares fotovoltaicos (PFVs) y el bajo coste de mantenimiento de estos sistemas.
Generalmente, un campo de paneles consta de PFVs, baterías, un regulador o controlador, un inversor y cargas. Los PFVs pueden conectarse en serie y/o paralelo y transforman la radiación solar incidente en su superficie en energía eléctrica continua. La electricidad generada es transmitida al regulador, el cual protege a las baterías tanto de sobrecargas como de una excesiva descarga. Las baterías almacenan energía que puede ser consumida cuando la demanda energética y la disponibilidad de horas solares no sea simultánea. El inversor transforma la corriente continua en alterna para aquellos dispositivos que funcionen con esta última. Estos sistemas pueden ser empleados en aquellos lugares aislados de la red eléctrica para auto-abastecerse con energía eléctrica de forma autónoma y fiable.
Realizar el suministro eléctrico al electrodializador de forma directa desde los PFVs rebajaría sustancialmente el coste de inversión de estos sistemas, dado el elevado coste de las baterías e inversores. La filosofía de la conexión directa al reactor de electrodiálisis es simple: en vez acumular energía eléctrica en baterías para su posterior utilización, se almacena agua que es producida durante las horas de sol, ya que es mucho más barato almacenar agua en depósitos que energía eléctrica en un sistema electroquímico de baterías o acumuladores.
En conclusión, existen en la actualidad diversos sistemas de desalinización que pueden ser operados con energías renovables en sus diversas formas. De entre todos ellos, se pueden seleccionar para cada aplicación o situación concreta el sistema óptimo. De este modo, el sistema idóneo para localizaciones aisladas donde haya acceso a aguas salobres sería la tecnología de electrodiálisis (ED) alimentada con paneles solares fotovoltaicos (FV). Por otro lado, debido a las perspectivas de desarrollo de la tecnología FV y de los sistemas de ED, es previsible que en el futuro se consigan sistemas más eficientes y con menor coste que los actuales, lo que puede dar lugar a una gran proliferación de estos sistemas e incluso pueden llegar a ser viables económicamente para la desalinización de agua de mar.
Los potenciales usuarios de la tecnología electrodiálisis-energía solar fotovoltaica son:
- Poblaciones en áreas remotas o aisladas, donde exista necesidad de aumentar los recursos hídricos, en el ámbito nacional e internacional.
- Explotaciones agrícolas aisladas con recursos salobres.
- Usuarios privados con pozos salobres y/o agua de red con mala calidad de servicio.
- Hoteles, resorts y comunidades que necesiten realizar un pre-tratamiento del agua de la red para mejorar su calidad.
- Grandes instalaciones recreativas como parques acuáticos y acuarios, donde sea necesario proveerse de agua de calidad para su funcionamiento.
- Instalaciones demonstración para Universidades, centros educativos, administraciones pública, etc.
- Municipios o empresas proveedoras de agua potabilizadas sensibilizadas con el medio ambiente.
- Organizaciones sin ánimo de lucro que quieran apostar por el uso de energías renovables.
Bibliografía relacionada:
1. J. M. Ortiz, J. A. Sotoca, E. Expósito, F. Gallud, V. García-García, V. Montiel, A. Aldaz, Brackish water desalination by electrodialysis: batch recirculation operation modelling, Journal of Membrane Science, 1-2 (2005) 65-85.
2. J. M. Ortiz, E. Expósito, F. Gallud, V. García-García, V. Montiel, A. Aldaz, Photovoltaic electrodialysis system for brackish water desalination: Modeling of global process, Journal of Membrane Science, 1-2 (2006) 138-149.
3. J. M. Ortiz, E. Expósito, F. Gallud, V. García-García, V. Montiel, A. Aldaz, Electrodialysis of brackish water powered by photovoltaic energy without batteries: direct connection behaviour, Desalination, 1 (2007) 89-100.
4. J. M. Ortiz, E. Expósito, F. Gallud, V. García-García, V. Montiel, A. Aldaz, Desalination of underground brackish waters using and electrodialysis system powered directly by photovoltaic energy, Solar Energy Materials and Solar Cells, 12 (2008) 1677-1688.
5. D. Valero, J.M. Ortiz, E. Expósito, V. Montiel, A. Aldaz, Electrocoagulation of a synthetic textile effluent powered by photovoltaic energy without batteries: Direct connection behaviour, Solar Energy Materials and Solar Cells, 3 (2008) 291-297.
me interesa el producto tengo pozo de agua salobre y quisiera saber tamaño del equipo,costo ,cantidad de energia solar requerida ,cantidad de agua salobre tratada por hora
gracias
me interasa el producto tengo un pozo de agua salobre y quisiera informacion del equipo detallada gracias
necesito informacion de este producto gracias y precios
Podrías darme mas información le estoy dando asesoría a una empresa que vende agua embotellada potable y necesita tratar 35 gpm con 800 ppm, necesitamos otra alternativa mas barata que la ósmosis el la calidad de agua a llegar es de 50 ppm,
podrías darme una cotización de este producto y si es posible llegar a tener agua potable con 50 ppm. te escribo de Tijuana Baja california mexico
saludos
rene
Necesitaria información sobre este producto. Tengo un pozo de agua salobre y me gustaría darle utilidad.
tengo pozo agricola con agua salubre me interesa costo de sisteme favor mandarme informacion pozo tiene un gasto de 100 litros por segundo es para uso hortcola
gracias
Hola a todos,
He visto los comentarios de este posts, algunos bastante antiguos. Si necesitan información adicional, por favor, no duden en ponerse en contacto conmigo a través del email:
ortizdiaz.juanma@gmail.com
Ahí les podré dar toda la información que requieran.
Un saludo.
Juan M. Ortiz